DM5 型号系列
以下是DM5系列下的所有型号,以及其流量、压力和电机功率等参数。
| 型号 | 50Hz 流量 (LPH) | 60Hz 流量 (LPH) | 压力 (Bar) | SPM @ 1450 | SPM @ 1750 | 电机功率 KW/HP |
| DM5C | 280 (320) | 336 | 7 | 116 | 140 | 0.75 / 1 |
| DM5D | 360 (400) | 420 | 5 | 153 | 184 | 0.75 / 1 |
| DM5E | 450 (480) | 504 | 5 | 187 | 140 | 0.75 / 1 |
| DM5F | 520 (550) | 660 | 3.5 | 200 | 不适用 | 0.75 / 1 |
产品优势

DM5型计量泵具有多项设计优势,旨在提供可靠、高效和低成本的运行。
耐用性:采用坚实耐用的工业设计,可延长泵的使用寿命,降低客户的拥有成本。
精确计量:手动冲程调节机构可自锁,避免设定位置漂移,确保计量精准。
安全防泄漏:双重密封的防泄漏液端设计,提供安全无泄漏的服务,避免化学品喷洒风险。
维护简便:阀门和接头无需特殊工具即可拆卸,方便快速安装和检修。
高强度隔膜:采用重载式复合隔膜,双面PTFE涂层,可耐受绝大多数化学物质并延长使用寿命。
高效传动:高效的重负载传动系统可大幅增加可靠运行时间。
技术参数
以下是DM5型机械隔膜计量泵的主要技术参数。
最大流量:3,600 lph (950 gph)。
最小流量:5 lph (1.32 gph)。
最大出口压力:12 bar (174 psi)。
温度:工作温度和环境温度范围均为 ()。
精度:稳态计量精度为设定点的 +/-2%。
冲程调节:0-100%,分辨率为1.0%,并具有自动锁止功能。
吸入高度:3米(10英尺)。
连接方式:可选择插管式、螺纹式、法兰式连接。
构造材料:液端材料包括增强聚丙烯、PVDF、PVC(次钠专用泵头)和316L不锈钢。隔膜为复合PTFE。齿轮箱为具有环氧涂层的高强度铝合金。
应用场景
DM5型泵适用于多种行业和应用,可处理各种化学介质。
行业:自来水、能源/发电、食品和饮料、市政污水、废水处理、制药、工业循环水、纺织印染 和垃圾处理。
典型应用:酸碱、漂白剂、染料、无机盐类、絮凝剂、有机溶剂 和洗涤剂 等化学品投加。
可选配件
PULSAFEEDER为DM5型泵提供多种配件和维修包,以确保其高效和不间断运行。
KOPkit (Keep on Pumping 工具包):提供多种备件包选择,便于维护并延长泵的使用寿命。
防泄漏报警装置:可选配带压力表和开关的双隔膜,可有效预防隔膜失效导致的泄漏,保护泵及系统。
排气阀:适用于次氯酸钠等会产生气体的液体,可防止气堵,使泵运行更平稳、精确。
IEC 80 马达转接头:DM1-6型号的泵在安装IEC 80电机时需要使用此转接头。
PULSALube 润滑油:一种优质混合润滑油,用于润滑所有内部运动部件,可延长泵的使用寿命。
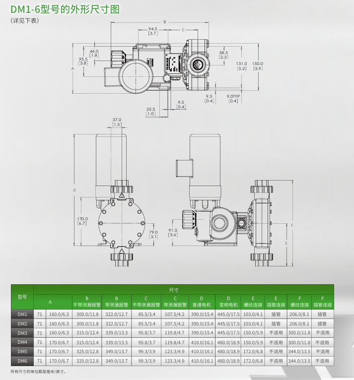
安装尺寸
以下是DM5型号的外形尺寸表,所有尺寸单位为毫米/英寸。
| 型号 | A | B (不带泄漏报警) | B (带泄漏报警) | C (不带泄漏报警) | C (带泄漏报警) | D (普通电机) | D (变频电机) | E (螺纹连接) | F (螺纹连接) |
| DM5 | 170.0/6.7 | 325.0/12.8 | 349.0/13.7 | 99.3/3.9 | 123.3/4.9 | 410.0/16.1 | 480.0/18.9 | 172.0/6.8 | 344.0/13.5 |

型号标识
DM5型泵的型号标识符遵循特定的命名规则,由多个代码组成,每个位置的代码代表特定的配置选项。
| 泵选型 | 代码 | 选项与描述 |
| 泵尺寸 (位置 1-4) | DM5C, DM5D, DM5E, DM5F | 对应规格表中的不同型号。 |
| 马达选择 (位置 5) | 2, 3, 3Y56, Y | 对应单相电机、三相宽频电机、不带电机或变频电机等选项。 |
| 液端材质 (位置 6) | A, F, P, C | 对应316L SS、PVDF、PP或PVC等液端材料。 |
| 连接 (位置 7) | B, T | 对应BSPT、插接硬管式或插接软管式连接。 |
| 检漏 (位置 8) | L 或 无代码 | 对应标准单隔膜或带防泄漏报警装置的双隔膜。 |


