seko计量泵是一种用于精确投加液体化学品或药剂的设备,广泛应用于清洁和卫生、水处理和工业过程等领域。seko计量泵的图纸是一种用于表示泵的结构和原理的图形,可以帮助用户更好地理解和使用泵。本文将介绍sseko计量泵常见的图纸,包括总体图、分解图、电路图和流程图等,并解释它们的含义和作用。
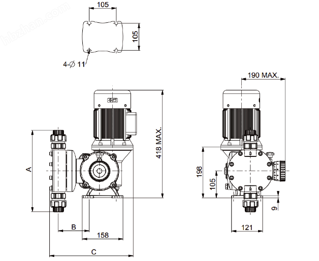
总体图:泵的外观和尺寸
总体图是泵的外观和尺寸的图形,可以显示泵的整体形状、大小、颜色、材料和标识等。总体图可以帮助用户选择合适的泵型号和规格,以及确定泵的安装位置和方式。总体图还可以作为泵的识别和检验的依据,以确保泵的质量和一致性。

分解图:泵的组成和连接
分解图是泵的组成和连接的图形,可以显示泵的各个部件和零件的名称、编号、数量和位置等。分解图可以帮助用户了解泵的内部结构和工作原理,以及泵的维护和保养方法。分解图还可以作为泵的拆卸和组装的指导,以及泵的更换和购买的参考。

电路图:泵的电气和控制
电路图是泵的电气和控制的图形,可以显示泵的电源、电机、控制器、传感器、信号和接线等。电路图可以帮助用户了解泵的电气特性和控制方式,以及泵的接线和调试方法。电路图还可以作为泵的故障诊断和修复的依据,以及泵的改进和优化的参考。
流程图:泵的流体和过程
流程图是泵的流体和过程的图形,可以显示泵的进出口、管道、阀门、过滤器、脉冲阻尼器、输液容器和目标系统等。流程图可以帮助用户了解泵的流体特性和过程要求,以及泵的输液和投药方法。流程图还可以作为泵的性能评估和效果监测的依据,以及泵的优化和集成的参考。
总结
sseko计量泵的图纸是一种用于表示泵的结构和原理的图形,包括总体图、分解图、电路图和流程图等。sseko计量泵的图纸可以帮助用户更好地理解和使用泵,提高泵的性能和效果。如果您想了解更多关于seko计量泵的信息,欢迎访问SEKO的官方网站或者其他相关的网站。
本文标题:Seko计量泵图纸:设计与性能的完美结合:https://www.106-duanxin.com/jishuwenzhang/417.html 均为原创,如若转载请注明出处。


